Trong lĩnh vực cơ khí, xây dựng và sản xuất công nghiệp, bu lông – đai ốc luôn là phụ kiện đóng vai trò quan trọng trong việc cố định, liên kết các chi tiết. Để lựa chọn và sử dụng chính xác, việc nắm rõ bảng kích thước bu lông tiêu chuẩn là điều cần thiết. Trong bài viết này, Kcmdanang sẽ cùng bạn tìm hiểu các thông số kỹ thuật, cấp bền, tiêu chuẩn phổ biến, đồng thời cập nhật bảng tra kích thước bu lông thông dụng để bạn có thể áp dụng ngay vào thực tế.
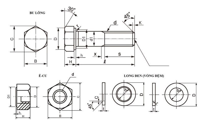
Tìm hiểu về các thông số kỹ thuật của bu lông đai ốc

Để sử dụng bu lông – đai ốc hiệu quả, người dùng không chỉ quan tâm đến mục đích ứng dụng mà còn phải nắm vững các thông số kỹ thuật cơ bản. Đây là yếu tố then chốt giúp lựa chọn đúng loại trong bảng kích thước bu lông, đồng thời đảm bảo an toàn và độ bền của mối ghép.
- Kích thước: Kích thước là thông số đầu tiên và quan trọng nhất trong các bảng tra kích thước bu lông thông dụng. Chúng bao gồm đường kính danh nghĩa (M), chiều dài thân bu lông, bước ren và kích thước đầu mũ.
- Chất liệu: Trong bảng kích thước bulong, chất liệu cũng là một thông số không thể bỏ qua. Bu lông có thể được sản xuất từ thép cacbon, thép hợp kim, thép không gỉ (inox), hoặc phủ mạ kẽm, mạ niken để tăng khả năng chống ăn mòn
- Cấp bền: Ngoài kích thước và vật liệu, cấp bền là yếu tố thể hiện khả năng chịu lực của bu lông. Các thông số như 4.6, 5.6, 8.8, 10.9 hay 12.9 thường thấy trong bảng kích thước bu lông cho biết giới hạn chịu kéo, chịu cắt của sản phẩm.
- Tiêu chuẩn kỹ thuật: Một điểm quan trọng trong bảng kích thước bu lông chính là tiêu chuẩn áp dụng. Hiện nay, các tiêu chuẩn phổ biến gồm DIN (Đức), ISO (Quốc tế) và JIS (Nhật Bản).
Tổng hợp bảng kích thước tiêu chuẩn bu lông mới nhất
Để lựa chọn đúng loại bu lông phù hợp, việc tham khảo bảng kích thước bu lông theo tiêu chuẩn quốc tế là vô cùng quan trọng. Dưới đây là các bảng tra cứu chi tiết cho từng loại bu lông – đai ốc thông dụng hiện nay:
Bảng kích thước bu lông lục giác ngoài theo tiêu chuẩn DIN 933

Bu lông lục giác ngoài DIN 933 là loại bu lông ren suốt, được ứng dụng rất phổ biến trong cơ khí, xây dựng, lắp ráp thiết bị điện tử, công nghiệp ô tô và nhiều lĩnh vực khác. Với ưu điểm độ bền cao, khả năng chịu lực tốt và dễ dàng tháo lắp, loại bu lông này thường được lựa chọn cho những mối ghép yêu cầu độ chắc chắn và ổn định. Vì vậy, khi tìm hiểu bảng kích thước bu lông, DIN 933 luôn là một trong những tiêu chuẩn quan trọng và được tham khảo nhiều nhất.
| Ký hiệu (d) | Bước ren (P – mm) | Chiều cao mũ (k – mm) | Kích thước đối diện (s – mm) |
| M4 | 0.7 | 2.8 | 7 |
| M5 | 0.8 | 3.5 | 8 |
| M6 | 1.0 | 4.0 | 10 |
| M8 | 1.25 | 5.3 | 13 |
| M10 | 1.5 | 6.4 | 17 |
| M12 | 1.75 | 7.5 | 19 |
| M14 | 2.0 | 8.8 | 22 |
| M16 | 2.0 | 10.0 | 24 |
| M18 | 2.5 | 11.5 | 27 |
| M20 | 2.5 | 12.5 | 30 |
| M22 | 2.5 | 14.0 | 32 |
| M24 | 3.0 | 15.0 | 36 |
| M27 | 3.0 | 17.0 | 41 |
| M30 | 3.5 | 18.7 | 46 |
| M33 | 3.5 | 21.0 | 50 |
| M36 | 4.0 | 22.5 | 55 |
| M39 | 4.0 | 25.0 | 60 |
| M42 | 4.5 | 26.0 | 65 |
| M45 | 4.5 | 28.0 | 70 |
| M48 | 5.0 | 30.0 | 75 |
| M52 | 5.0 | 33.0 | 80 |
| M56 | 5.5 | 35.0 | 85 |
Nhìn vào bảng trên, có thể thấy bảng tra kích thước bu lông DIN 933 bao gồm nhiều thông số từ M4 đến M56, đảm bảo sự linh hoạt trong quá trình lựa chọn. Đây cũng là một trong những bảng tra kích thước bu lông thông dụng nhất, giúp kỹ sư, thợ cơ khí và nhà thầu nhanh chóng xác định loại bu lông phù hợp với từng nhu cầu thi công.
Xem thêm: Những Lỗi Thường Gặp Trên Khóa Cửa Điện Tử Ngày Nay
Bảng kích thước bu lông lục giác ngoài theo tiêu chuẩn DIN 931
Bu lông DIN 931 là loại bu lông ren lửng (ren một phần), thường dùng trong cơ khí, xây dựng và kết cấu thép nhờ khả năng chịu lực siết lớn, độ bền cao. Đây là loại bu lông quan trọng, được ứng dụng trong nhiều hạng mục yêu cầu chắc chắn và an toàn.
| Ký hiệu (d) | Bước ren P (mm) | Chiều cao mũ k (mm) | Đối diện s (mm) | Chiều dài phần ren (L ≤ 125 mm) | 125 < L ≤ 200 mm | L > 200 mm |
| M4 | 0.7 | 2.8 | 7 | 14 | – | – |
| M5 | 0.8 | 3.5 | 8 | 16 | 22 | – |
| M6 | 1.0 | 4.0 | 10 | 18 | 24 | – |
| M8 | 1.25 | 5.3 | 13 | 22 | 28 | – |
| M10 | 1.5 | 6.4 | 17 | 26 | 32 | – |
| M12 | 1.75 | 7.5 | 19 | 30 | 36 | – |
| M16 | 2.0 | 10.0 | 24 | 38 | 44 | – |
| M20 | 2.5 | 12.5 | 30 | 46 | 52 | 61 |
| M24 | 3.0 | 15.0 | 36 | 54 | 60 | 69 |
| M30 | 3.5 | 18.7 | 46 | 66 | 72 | – |
| M36 | 4.0 | 22.5 | 55 | 78 | 84 | – |
| M42 | 4.5 | 26.0 | 65 | 90 | 96 | – |
| M48 | 5.0 | 30.0 | 75 | 102 | 108 | – |
| M56 | 5.5 | 35.0 | 85 | – | 124 | – |
Bảng kích thước bu lông lục giác chìm đầu trụ DIN 912

Bu lông DIN 912 là loại bu lông lục giác chìm đầu trụ, thường dùng trong cơ khí chính xác, chế tạo máy và các mối ghép cần thẩm mỹ vì phần đầu chìm gọn trong bề mặt vật liệu. Loại bu lông này có độ bền cao, dễ siết chặt bằng lục giác trong, giúp kết cấu chắc chắn và gọn gàng.
| Ký hiệu (d) | Bước ren P (mm) | Chiều cao đầu k (mm) | Đường kính đầu a (mm) | Lục giác trong s (mm) |
| M3 | 0.5 | 3.0 | 5.5 | 2.5 |
| M4 | 0.7 | 4.0 | 7.0 | 3.0 |
| M5 | 0.8 | 5.0 | 8.5 | 4.0 |
| M6 | 1.0 | 6.0 | 10.0 | 5.0 |
| M8 | 1.25 | 8.0 | 13.0 | 6.0 |
| M10 | 1.5 | 10.0 | 16.0 | 8.0 |
| M12 | 1.75 | 12.0 | 18.0 | 10.0 |
| M16 | 2.0 | 16.0 | 24.0 | 14.0 |
| M20 | 2.5 | 20.0 | 30.0 | 17.0 |
| M24 | 3.0 | 24.0 | 36.0 | 19.0 |
| M30 | 3.5 | 30.0 | 45.0 | 22.0 |
Với các thông số rõ ràng trong bảng kích thước bu lông DIN 912, người dùng có thể dễ dàng chọn lựa loại bu lông phù hợp cho từng nhu cầu, đặc biệt trong bảng tra kích thước bu lông thông dụng phục vụ ngành cơ khí và chế tạo máy.
Bảng kích thước bu lông lục giác chìm đầu cầu DIN 7380

Bu lông DIN 7380 là loại bu lông lục giác chìm đầu cầu (đầu tròn), thường dùng trong các chi tiết máy và kết cấu yêu cầu thẩm mỹ cao. Ưu điểm nổi bật là phần đầu tròn thấp, không lồi nhiều trên bề mặt, vừa tạo độ gọn gàng vừa đảm bảo khả năng siết chặt chắc chắn.
| Ký hiệu (d) | Bước ren P (mm) | Chiều cao đầu k (mm) | Đường kính đầu a (mm) | Lục giác trong s (mm) |
| M3 | 0.5 | 1.65 | 5.7 | 2.0 |
| M4 | 0.7 | 2.2 | 7.6 | 2.5 |
| M5 | 0.8 | 2.75 | 9.5 | 3.0 |
| M6 | 1.0 | 3.3 | 10.5 | 4.0 |
| M8 | 1.25 | 4.4 | 14.0 | 5.0 |
| M10 | 1.5 | 5.5 | 17.5 | 6.0 |
| M12 | 1.75 | 6.6 | 21.0 | 8.0 |
| M16 | 2.0 | 8.8 | 28.0 | 10.0 |
| M20 | 2.5 | 11.0 | 35.0 | 12.0 |
Nhờ thiết kế đặc biệt, bu lông DIN 7380 vừa đáp ứng yêu cầu kỹ thuật vừa nâng cao tính thẩm mỹ cho sản phẩm. Đây là một trong những lựa chọn phổ biến trong bảng kích thước bu lông thông dụng cho cơ khí và lắp ráp công nghiệp.
Bảng tra kích thước bu lông lục giác chìm đầu bằng DIN 7991

Bu lông DIN 7991 là loại bu lông lục giác chìm đầu bằng (còn gọi là bu lông âm), được thiết kế với phần đầu vát 90°, khi lắp sẽ nằm chìm hẳn trong bề mặt. Ưu điểm lớn là đảm bảo tính thẩm mỹ, tiết kiệm không gian, đồng thời giữ độ chắc chắn cho mối ghép.
| Ký hiệu (d) | Bước ren P (mm) | Chiều cao đầu k (mm) | Đường kính đầu dk (mm) | Góc vát α (°) | Lục giác trong s (mm) |
| M3 | 0.5 | 1.7 | 6 | 90 | 2.0 |
| M4 | 0.7 | 2.3 | 8 | 90 | 2.5 |
| M5 | 0.8 | 2.8 | 10 | 90 | 3.0 |
| M6 | 1.0 | 3.3 | 12 | 90 | 4.0 |
| M8 | 1.25 | 4.4 | 16 | 90 | 5.0 |
| M10 | 1.5 | 5.5 | 20 | 90 | 6.0 |
| M12 | 1.75 | 6.5 | 24 | 90 | 8.0 |
| M16 | 2.0 | 7.5 | 30 | 90 | 10.0 |
| M20 | 2.5 | 8.5 | 36 | 90 | 12.0 |
Với thiết kế đặc thù, bu lông DIN 7991 được sử dụng nhiều trong các chi tiết cơ khí chính xác, kết cấu yêu cầu bề mặt phẳng hoặc thẩm mỹ cao, chẳng hạn như chế tạo máy, thiết bị điện tử và công trình hiện đại.
Xem thêm: Top 10 Hãng Đầu Ghi Camera Chất Lượng Tốt Nhất Thị Trường
Bảng tra kích thước đai ốc (Ecu) theo tiêu chuẩn DIN 934

Đai ốc DIN 934 là loại đai ốc lục giác phổ biến nhất, được sử dụng kết hợp với các loại bu lông tiêu chuẩn như DIN 933, DIN 931 để tạo thành mối ghép chắc chắn. Sản phẩm có nhiều kích thước khác nhau, phù hợp cho hầu hết nhu cầu lắp ráp trong xây dựng, cơ khí, chế tạo máy và thiết bị công nghiệp.
| Ký hiệu (d) | Bước ren P (mm) | Chiều cao m (mm) | Cạnh đối s (mm) |
| M3 | 0.5 | 2.4 | 5.5 |
| M4 | 0.7 | 3.2 | 7 |
| M5 | 0.8 | 4.0 | 8 |
| M6 | 1.0 | 5.0 | 10 |
| M7 | 1.0 | 5.5 | 11 |
| M8 | 1.25 | 6.5 | 13 |
| M10 | 1.5 | 8.0 | 17 |
| M12 | 1.75 | 10.0 | 19 |
| M14 | 2.0 | 11.0 | 22 |
| M16 | 2.0 | 13.0 | 24 |
| M18 | 2.5 | 15.0 | 27 |
| M20 | 2.5 | 16.0 | 30 |
| M22 | 2.5 | 18.0 | 32 |
| M24 | 3.0 | 19.0 | 36 |
| M27 | 3.0 | 22.0 | 41 |
| M30 | 3.5 | 24.0 | 46 |
| M33 | 3.5 | 26.0 | 50 |
| M36 | 4.0 | 29.0 | 55 |
Nhờ tính phổ biến và dễ ứng dụng, đai ốc DIN 934 gần như luôn có mặt trong các mối ghép bulong – đai ốc tiêu chuẩn. Đây là lựa chọn tối ưu khi cần sự chắc chắn, bền bỉ và dễ dàng thay thế trong thực tế.
Bảng kích thước bu lông tai chuồn

| Ký hiệu | d (mm) | Chiều dài L (mm) | Độ mở tai (mm) |
| M4 | 4 | 12 | 20 |
| M5 | 5 | 16 | 25 |
| M6 | 6 | 20 | 30 |
Bu lông tai chuồn thích hợp với mối ghép cần tháo lắp nhanh, không cần dụng cụ. Đây là loại thường thấy trong bảng kích thước bulong thông dụng.
Bảng tra kích thước bu lông lục giác ngoài liền long đen

| Ký hiệu | d (mm) | Bước ren (mm) | Kích thước mũ (mm) | Đường kính long đen (mm) |
| M6 | 6 | 1.0 | 10 | 12 |
| M8 | 8 | 1.25 | 13 | 16 |
| M10 | 10 | 1.5 | 17 | 20 |
Với thiết kế liền long đen, loại bu lông này tăng độ bám, hạn chế trượt khi siết. Trong bảng kích thước bu lông, đây là lựa chọn thông minh cho các kết cấu cơ khí.
Bảng tra kích thước bu lông đầu tròn, cổ vuông

| Ký hiệu | d (mm) | Bước ren (mm) | Đường kính đầu tròn (mm) | Chiều cao cổ vuông (mm) |
| M6 | 6 | 1.0 | 16 | 4 |
| M8 | 8 | 1.25 | 20 | 5 |
| M10 | 10 | 1.5 | 24 | 6 |
Bu lông đầu tròn, cổ vuông thường dùng trong kết cấu gỗ, giúp chống xoay. Việc tham khảo bảng kích thước bu lông loại này sẽ giúp chọn đúng loại cho từng ứng dụng.
Xem thêm: Top 10 Máy Pha Cà Phê Dưới 50 Triệu Cho Quán Kinh Doanh
Hướng dẫn lựa chọn bu lông tiêu chuẩn có kích thước phù hợp
Việc lựa chọn bu lông tiêu chuẩn với kích thước chính xác là yếu tố quan trọng quyết định đến độ bền, sự an toàn và tính hiệu quả của công trình hay sản phẩm cơ khí. Một số điểm cần lưu ý khi chọn bu lông:
- Xác định nhu cầu sử dụng: Mỗi loại bu lông phù hợp cho từng ứng dụng cụ thể. Ví dụ, bu lông DIN 933, DIN 931 thường dùng trong kết cấu thép và cơ khí nặng; bu lông DIN 603 cổ vuông phù hợp cho gỗ; bu lông tai chuồn DIN 316 thuận tiện cho các mối ghép tháo lắp thường xuyên.
- Lựa chọn cấp bền: Các ứng dụng yêu cầu chịu lực cao nên ưu tiên bu lông cấp bền 8.8, 10.9 hoặc 12.9. Ngược lại, nhu cầu dân dụng thông thường có thể chọn loại 4.6 hoặc 5.8 để tối ưu chi phí.
- Xem xét vật liệu và xử lý bề mặt: Inox 201/304/316, thép hợp kim hoặc thép mạ kẽm giúp chống ăn mòn tốt, đặc biệt cần thiết cho môi trường ngoài trời hoặc môi trường hóa chất.
- Đối chiếu bảng kích thước bu lông: Cần căn cứ vào đường kính (M), bước ren (P), chiều dài (L) và tiêu chuẩn (DIN, ISO) để chọn đúng sản phẩm.

Trên thị trường hiện nay, việc tìm được công ty vật tư kim khí uy tín cũng quan trọng không kém. Kim Khí Tiến Thành hiện là một trong những đơn vị cung cấp đa dạng vật tư kim khí từ bu lông lục giác đầu chìm, tắc kê sắt, bu lông nở m12, bulong neo m20,… được nhiều doanh nghiệp, xưởng cơ khí và nhà thầu tin chọn.
- Địa chỉ: Tổ 1, Khu Phố Tân Lộc, Phường Phước Hoà, Thị xã Phú Mỹ, Tỉnh Bà Rịa – Vũng Tàu
- Số điện thoại: 0933 90933 937 57737 577
- Website: https://kimkhitienthanh.com/
Hy vọng qua bài viết này, bạn đã có cái nhìn tổng quan về các thông số kỹ thuật cũng như tham khảo được bảng kích thước bu lông tiêu chuẩn mới nhất. Việc lựa chọn đúng loại bu lông phù hợp không chỉ giúp tăng tuổi thọ cho công trình, máy móc mà còn đảm bảo an toàn trong quá trình sử dụng.
Xem thêm: Top 8 Các Trang Nhập Hàng Trung Quốc Uy Tín, Giá Tốt

